Product Summary
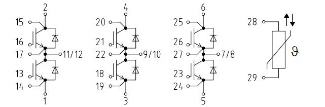
The FS150R12KE3 is an IGBT module.
Parametrics
FS150R12KE3 absolute maximum ratings: (1)collector-emitter voltage:1200V; (2)DC-collector current:150A or 200A; (3)repetitive peak collector current:300A; (4)total power dissipation:695W; (5)gate-emitter peak voltage:±20V
Features
FS150R12KE3 features: (1)gate threshold voltage:5.0V to 6.5V; (2)gate charge:1.40uC; (3)inernal gate resistor:1.3Ω; (4)input capacitance:10.5nF; (5)reverse transfer capacitance:0.50nF; (6)collector-emitter cut-off current:5.0mA; (7)gate-emitter leakage current:40nA; (8)turn-on energy loss per pulse:11.0mJ; (9)turn-off energy loss per pulse:24.0mJ; (10)SC data:600A; (11)thermal resistance, junction to case:0.18K/W; (12)thermal resistance, case to heatsink:0.046K/W.
Diagrams

| Image | Part No | Mfg | Description | ![]() |
Pricing (USD) |
Quantity | ||||||||||
|---|---|---|---|---|---|---|---|---|---|---|---|---|---|---|---|---|
![]() |
![]() FS150R12KE3 |
![]() Infineon Technologies |
![]() IGBT Modules 1200V 150A FL BRIDGE |
![]() Data Sheet |
![]()
|
|
||||||||||
![]() |
![]() FS150R12KE3G |
![]() Infineon Technologies |
![]() IGBT Modules 1200V 150A 3-PHASE |
![]() Data Sheet |
![]()
|
|
||||||||||
(Hong Kong)









