Product Summary
The 2DI100D-050 is an insulated type power transistor module. Applications include high power switching, AC motor controls, DC motor controls and uninterruptible supply.
Parametrics
2DI100D-050 absolute maximum ratings: (1)VCHC: 600V; (2)VCDC: 600V; (3)DC: 100A; (4)Junction temperature: 150℃; (5)storage temperature: -40 to 125℃.
Features
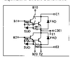
2DI100D-050 features: (1)including free wheeling diode; (2)high dc current gain; (3)insulated type.
Diagrams

![]() |
![]() 2DI150M-120 |
![]() Other |
![]() |
![]() Data Sheet |
![]() Negotiable |
|
||||
(Hong Kong)








