Product Summary
The FLM6472-8F is a power GaAs FET that is internally matched for standard communication bands to provide optimum power and gain in a 50 ohm system.
Parametrics
FLM6472-8F absolute maximum ratings: (1)Drain-Source Voltage: 15 V; (2)Gate-Source Voltage: -5 V; (3)Total Power Dissipation: 42.8 W; (4)Storage Temperature: -65 to +175 ℃; (5)Channel Temperature: 175 ℃.
Features
FLM6472-8F features: (1)High Output Power: P1dB=39.5dBm(Typ.); (2)High Gain: G1dB=9.5dB(Typ.); (3)High PAE: ηadd=36%(Typ.); (4)Low IM3 = -46dBc@Po = 28.5dBm; (5)Broad Band: 6.4~7.2GHz; (6)Impedance Matched Zin/Zout = 50Ω; (7)Hermetically Sealed Package.
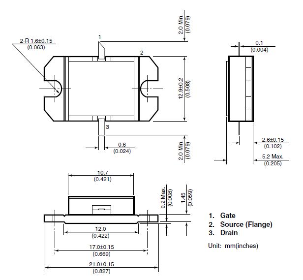
Diagrams

![]() |
![]() FLM6472-12F |
![]() Other |
![]() |
![]() Data Sheet |
![]() Negotiable |
|
||||
![]() |
![]() FLM6472-4F |
![]() Other |
![]() |
![]() Data Sheet |
![]() Negotiable |
|
||||
(Hong Kong)








