Product Summary
The MIG10Q806H is a IGBT module. The applications of it are high power switching and motor control.
Parametrics
Absolute maximum ratings: (1)collector-emitter voltage:1200V; (2)gate-emitter voltage:±20V; (3)collector power dissipation(TC=25℃):82W; (4)repetitive peak reverse voltage:1600V; (5)average output rectified current:15A; (6)peak one cyc;e surge forward current(50Hz,non-repetitive):250A; (7)junction temperature:150℃; (8)storage temperature range:-40℃ to 150℃; (9)isolation voltage:2500V(AC 1 minute).
Features
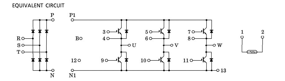
Features: (1)integrates inverter, converter power circuits and thermistor in one package; (2)output(inverter stafe):3φ 10A/1200V IGBT; (3)input(converter stage):3φ 15A/1600V silicon rectifier; (4)the electrodes are isolated from case; (5)outline:2-108E6A; (6)weight:190g.
Diagrams

| Image | Part No | Mfg | Description | ![]() |
Pricing (USD) |
Quantity | ||||
|---|---|---|---|---|---|---|---|---|---|---|
![]() |
![]() MIG10Q806H |
![]() Other |
![]() |
![]() Data Sheet |
![]() Negotiable |
|
||||
| Image | Part No | Mfg | Description | ![]() |
Pricing (USD) |
Quantity | ||||
![]() |
![]() MIG100J6CSB1W |
![]() Other |
![]() |
![]() Data Sheet |
![]() Negotiable |
|
||||
![]() |
![]() MIG100J7CSA0A |
![]() Other |
![]() |
![]() Data Sheet |
![]() Negotiable |
|
||||
![]() |
![]() MIG100J7CSB1W |
![]() Other |
![]() |
![]() Data Sheet |
![]() Negotiable |
|
||||
![]() |
![]() MIG100Q6CMA0X |
![]() Other |
![]() |
![]() Data Sheet |
![]() Negotiable |
|
||||
![]() |
![]() MIG100Q6CMB1X |
![]() Other |
![]() |
![]() Data Sheet |
![]() Negotiable |
|
||||
![]() |
![]() MIG10J503 |
![]() Other |
![]() |
![]() Data Sheet |
![]() Negotiable |
|
||||
(Hong Kong)









